产品中心
ADR-A系列
直接驱动旋转电机 ADR-A系列电机是有铁芯永磁电机,通过独特的设计,能够实现非常高的槽满率。电机扭矩更高,加上定子齿部的优化设计,达到低齿槽转矩的效果。
下载附件:
技术参数
  • 产品介绍
  • 规格参数
  • 尺寸图
  • 订购信息


设计特点

A. 直驱无刷电机高扭矩密度

B. 内置高精光栅编码器和精密轴承,高精度

C. 有铁芯技术低齿槽力

D. 通过光学零位精确复位

E. 低速和高速绕组可选

电机规格外径高度中孔

最高速度@峰值转矩(415VDC)

重复定位精度转动惯量
(mm)(mm)(mm)(rpm)(arc sec)(kg·m?)
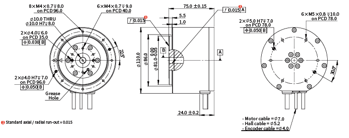
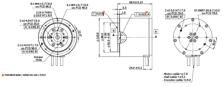
ADR110-A7511075102000+/-2.73.086E-04
ADR110-A9811098102000+/-2.74.419E-04
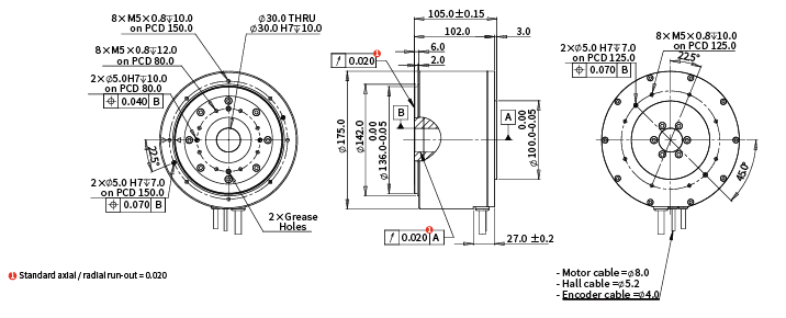
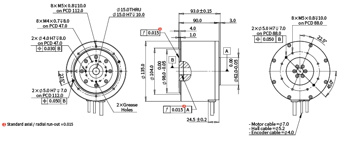
ADR135-A9013593151350+/-2.79.916E-04
ADR135-A11513511815745+/-2.71.332E-03
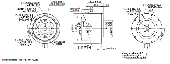
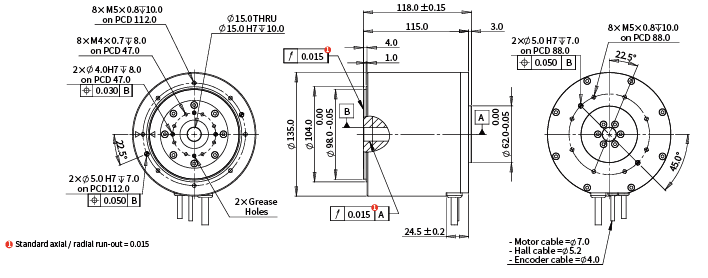
ADR175-A10217510530880+/-25.422E-03
ADR175-A13817514130470+/-27.621E-03
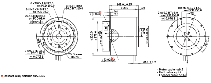
ADR220-A12022012330540+/-21.786E-02
ADR220-A16522016830260+/-22.522E-02
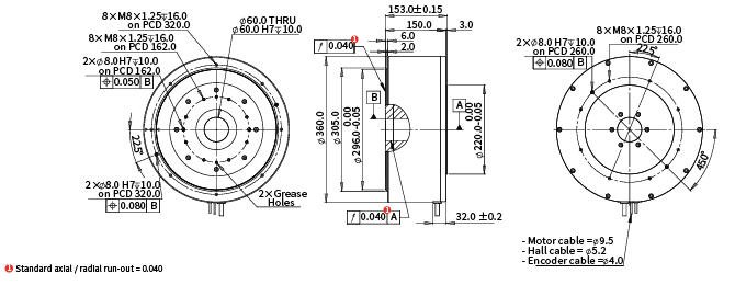
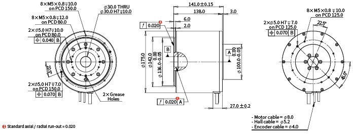
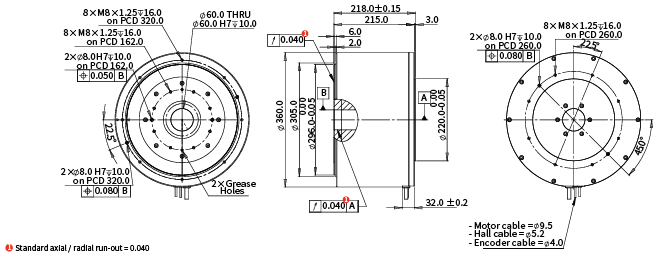
ADR360-A15036015360200+/-22.046E-01
ADR360-A21536021860185+/-23.223E-01

注:

①测量基于ABI增量式光学编码器(SIN/COS,4096x)和330V母线电压。

②测量基于ABI增量式光学编码器(SIN/COS,4096x),标准端跳等级。

相关参数规格如有变动,恕不另行通知。

ADR110-A75

image.png

ADR110-A98

image.png

ADR135-A90

image.png

ADR135-A115image.png

ADR175-A102

image.png

ADR175-A138image.png

ADR220-A120image.png

ADR220-A165

image.png


ADR360-A150image.png


ADR360-A215

image.png



image.png


image.png


image.png                                                        

相关产品
AER-F 系列
相关产品
ACD-P系列
相关产品
AXD-ERA系列
在线留言
如果您有任何的建议或意见
请联系我们
cust-service@akribis-sys.cn
+86 21 58595800
留言