产品中心
AXD-ERA系列
AXD-ERA系列是采用 BiSS C 协议的绝对值编码器有铁芯电机。 与原来的 AXD 系列相比,AXD-ERA系列不惧怕灰尘和油污等恶劣的应用环境。 且使用的是绝对值编码器,而不是增量值编码器。重复精度可以达到 ±1.5 arc sec以内。最重要的一点是,不用做误差补偿,绝对精度可以达到±15 arc sec以内。
下载附件:
技术参数
  • 产品介绍
  • 规格参数
  • 尺寸图
  • 订购信息

设计特点:

A.绝对值编码器(BiSS C)

B.抗污染能力强

C.直驱无刷电机

D.低齿槽转矩

E.可选低速绕组或高速绕组

F.高扭矩密度



电机规格直径高度中孔最高转速@峰值扭矩重复定位精度转动惯量
(mm)(mm)(mm)(rpm)(arc sec)(kg·m2)

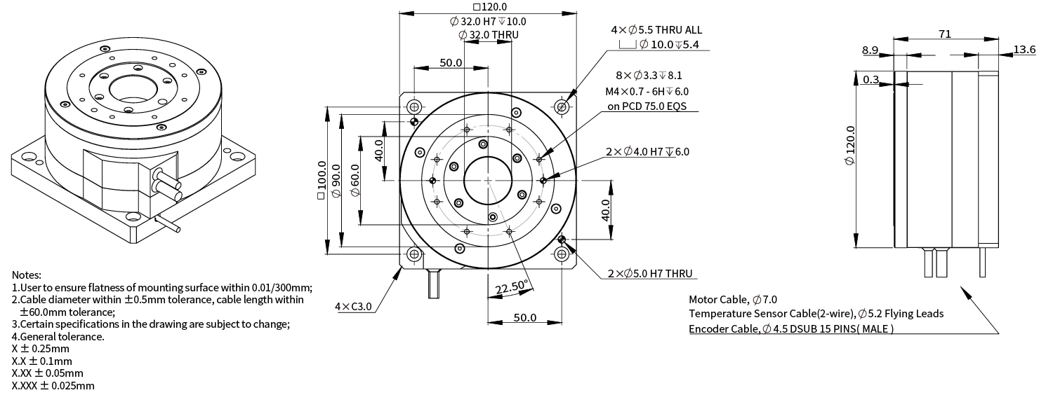
AXD120-ERA

120

71

32

2000

±2(±1.5)

1.18E-03

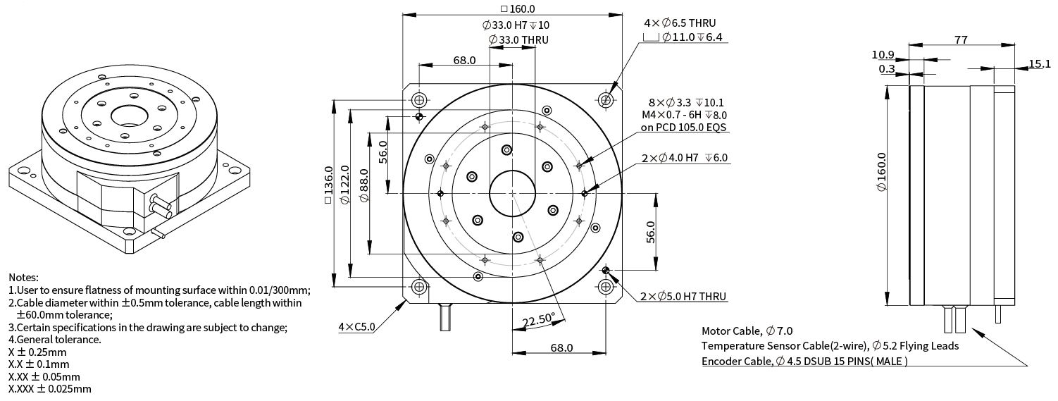
AXD160-ERA

160

77

33

1000

±2(±1.5)

4.15E-03

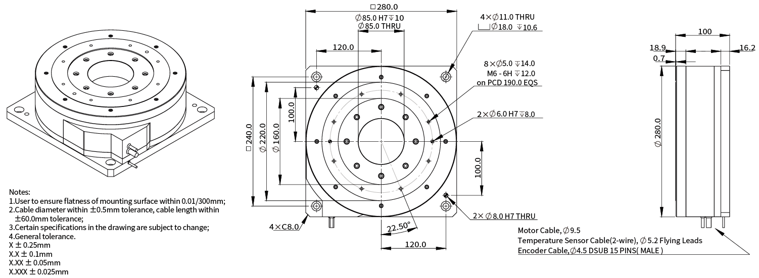
AXD200-ERA

200

87

55

600

±2(±1.5)

1.14E-02

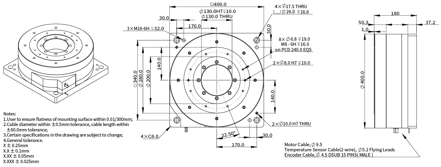
AXD280-ERA

280

100

85

250

±2(±1.5)

6.00E-02

AXD400-ERA

400

180

130

165

±1.5

5.15E-01

注:

①测量基于绝对式编码器和最大母线电压。

测量基于S405绝对式编码器,括号内基于S305绝对式编码器,标准端跳等级。

相关参数规格如有变动,恕不另行通知。



AXD120-71


image.png


AXD160-77


image.png


AXD200-87


image.png


AXD280-100


image.png


AXD400-180


image.png

image.png


image.png





image.png

相关产品
ADR-B系列
相关产品
AXM系列
相关产品
ADR-H系列
相关产品
AER-F 系列
在线留言
如果您有任何的建议或意见
请联系我们
cust-service@akribis-sys.cn
+86 21 58595800
留言