产品中心
ACD-P系列
无铁芯直接驱动旋转电机 ACD系列是无铁芯无刷直驱电机。其特点是无齿槽转矩,电机转动平顺。扭矩比ADR系列小,但是通过独特的绕组设计,也能够实现高扭矩密度。 无框电机ACD-P可选,仅由转子定子组成。
  • 产品介绍
  • 规格参数
  • 尺寸图
  • 订购信息


设计特点

A. 无齿槽力

B. 无铁芯技术直驱力矩电机

C. 低速速度波动小适合检测应用


电机规格外径高度中孔

最高速度@峰值转矩

重复定位精度转动惯量
(mm)(mm)(mm)(rpm)(arc sec)(kg·m2)

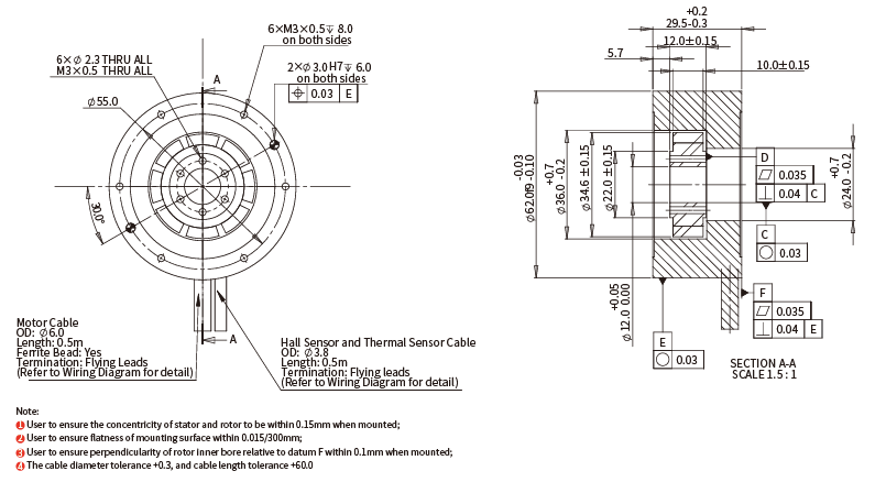
ACD62-P-10

62

29.5

12

3000

-

9.714E-06-

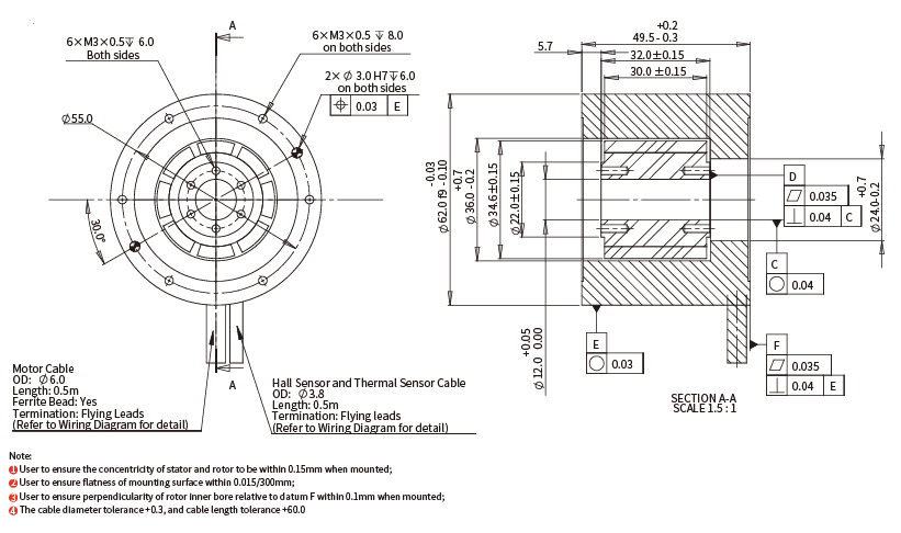
ACD62-P-30

62

49.5

12

3000

-

2.883E-05

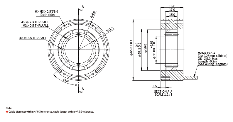
ACD85-P-15

85

31

38

3000

-

8.14E-05

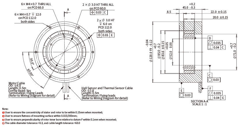
ACD120-P-20

120

45

52

3000

-

5.95E-04

相关参数规格如有变动,恕不另行通知。



Version:0.9 StartHTML:0000000105 EndHTML:0000000835 StartFragment:0000000141 EndFragment:0000000795  有铁芯技术低齿槽力 低速和高速绕组,可选高转速 直驱无刷电机无框电机, 由转子和定子组成高扭矩密度芯技术低齿槽力 低速和高速绕组,可选高转速 直驱无刷电机无框电机, 由转子和定子组成高扭矩密度

ACD62-P-10

image.png

ACD62-P-30

image.png

ACD85-P-15

image.png

ACD120-P-20

image.png

image.png

相关产品
ADR-A系列
相关产品
AXD系列
相关产品
AXM系列
相关产品
ADR-C系列
在线留言
如果您有任何的建议或意见
请联系我们
cust-service@akribis-sys.cn
+86 21 58595800
留言