产品中心
ACD系列
无铁芯直接驱动旋转电机 ACD系列是无铁芯无刷直驱电机。其特点是无齿槽转矩,电机转动平顺。扭矩比ADR系列小,但是通过独特的绕组设计,也能够实现高扭矩密度。
下载附件:
技术参数
  • 产品介绍
  • 规格参数
  • 尺寸图
  • 订购信息


设计特点

A. 无齿槽力

B. 无铁芯技术直驱力矩电机

C. 低速速度波动小适合检测应用

D. 内置光栅位置反馈和精密轴承,通过光学零位精准复位

 

电机规格外径高度中孔

推荐最大转矩@48VDC(数字量/模拟量)

重复定位精度转动惯量
(mm)(mm)(mm)(rpm)(arc sec)(kg·m2)

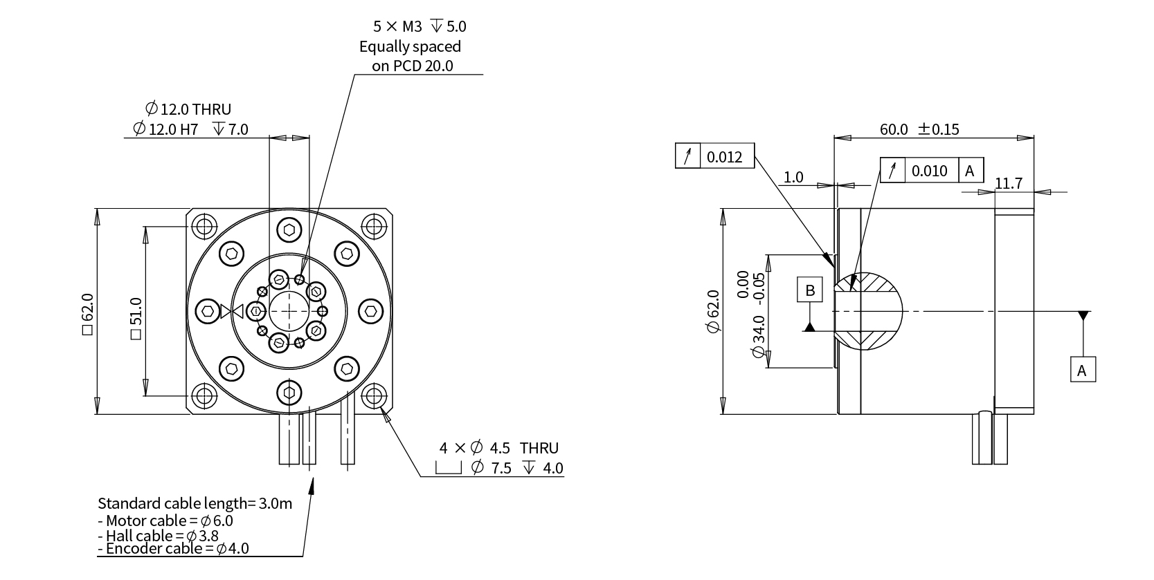
ACD62-60

62

60

12

1200

+/-3

2.157E-05

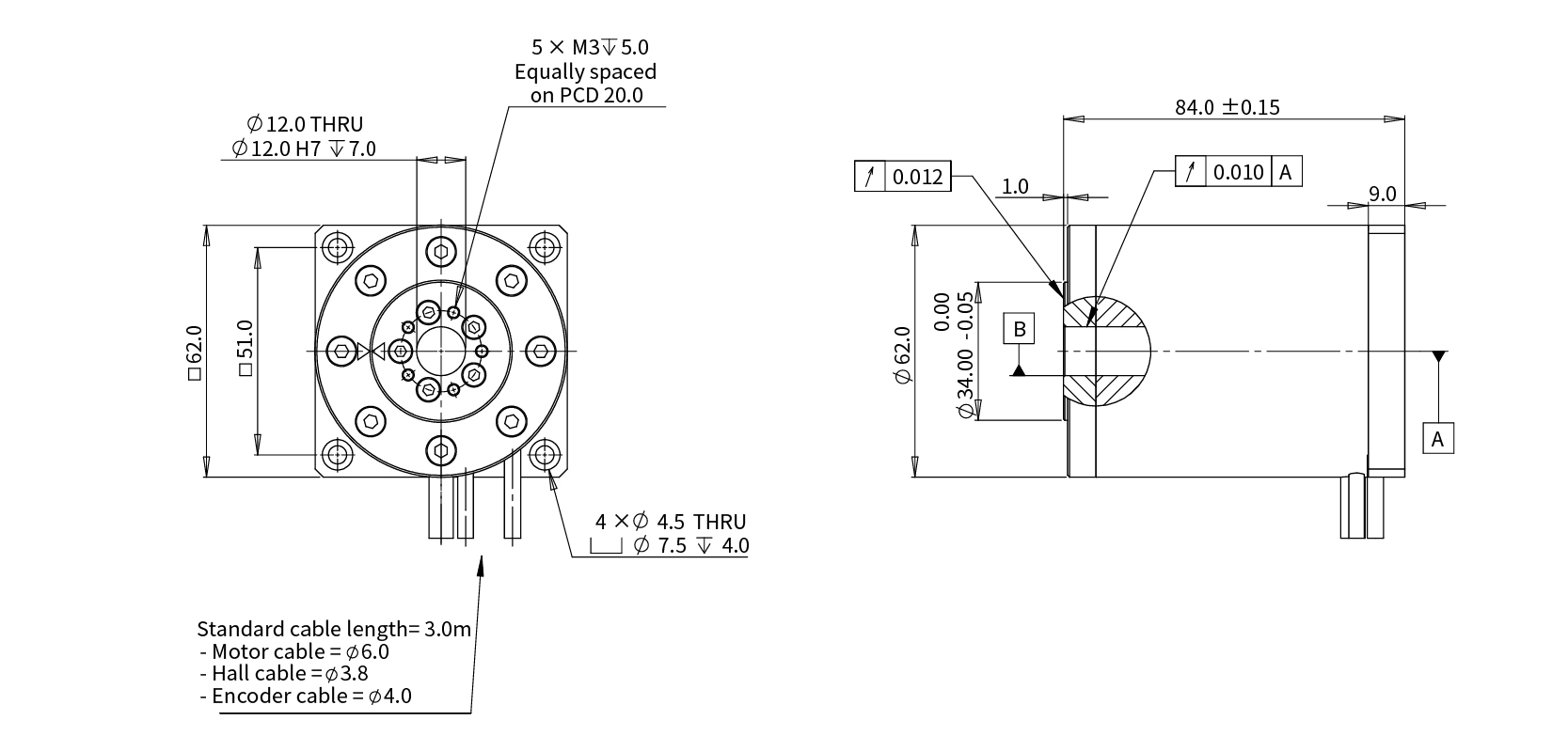
ACD62-84

62

84

12

1200

+/-3

3.944E-05

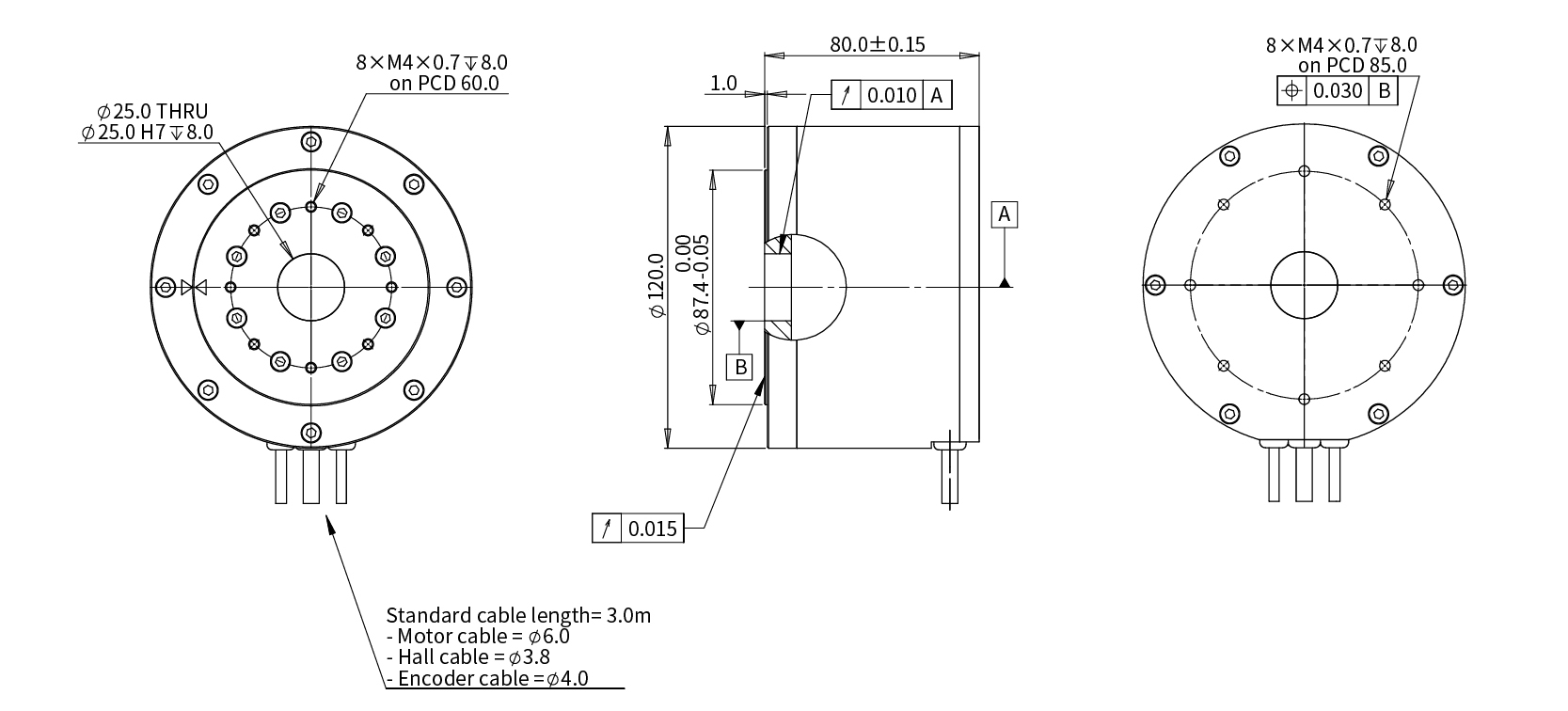
ACD120-80

120

80

25

952

+/-3

1.08E-03

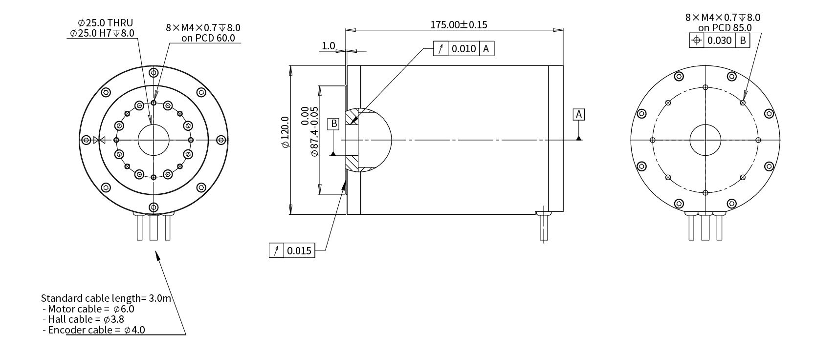
ACD120-175

120

175

25

220

+/-3

3.21E-03

注:

①测量基于ABI增量式光学编码器(SIN/COS,4096x)和最大母线电压。

②测量基于ABI增量式光学编码器(SIN/COS,4096x),标准端跳等级。

相关参数规格如有变动,恕不另行通知。

ACD62-60

ACD62-60-01.jpg

ACD62-84

ACD62-84-01.jpg

ACD120-80

ACD120-80-01.jpg

ACD120-175

ACD120-175-01.jpg



                                    ACD订购规则.jpg                            

相关产品
ADR-P系列
相关产品
ACW系列
相关产品
AXD-ERA系列
相关产品
ADR-C系列
在线留言
如果您有任何的建议或意见
请联系我们
cust-service@akribis-sys.cn
+86 21 58595800
留言