产品中心
AQM系列
AQM系列为有铁芯直线直线电机,价格低,齿槽力小,适用于对推力要求不高,行程较长的应用。
下载附件:
技术参数
  • 产品介绍
  • 规格参数
  • 尺寸图
  • 订购信息

设计特点:

A. 有铁芯技术

B. 低齿槽效应

C. 高性价比

D. 高响应和灵活性

E. 高推力与刚性 


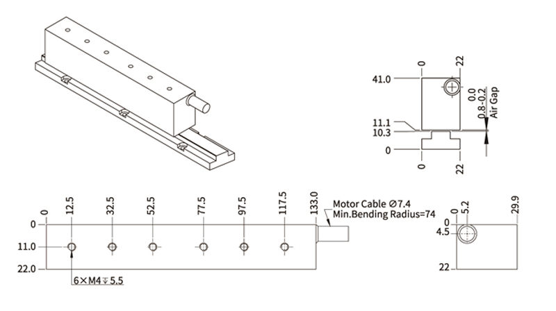
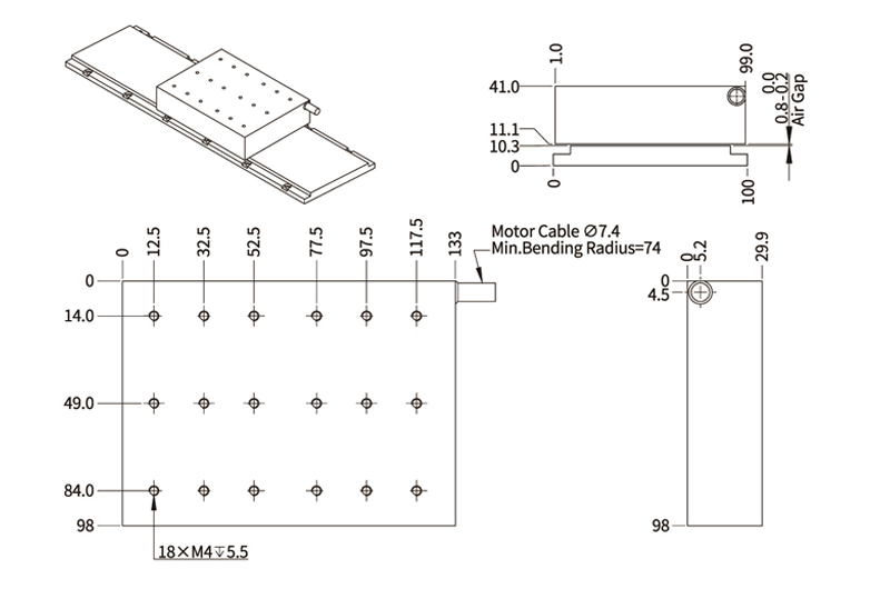
电机线圈



线圈长度 (mm)持续力 (N) @100℃峰值力 (N)
AQM8-B113320.349.7
AQM24-B113360.8149.2
AQM30-B113375.9186.4
AQM30-B2268151.9372.9
AQM50-B1133126.6310.7
AQM50-B2268253.1621.5
AQM80-B1133202.5497.2
AQM80-B2268405.0994.4
AQM100-B1133253.1621.5
AQM100-B2268506.01243.0



 

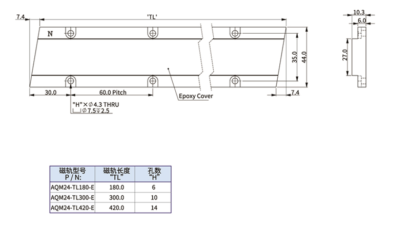
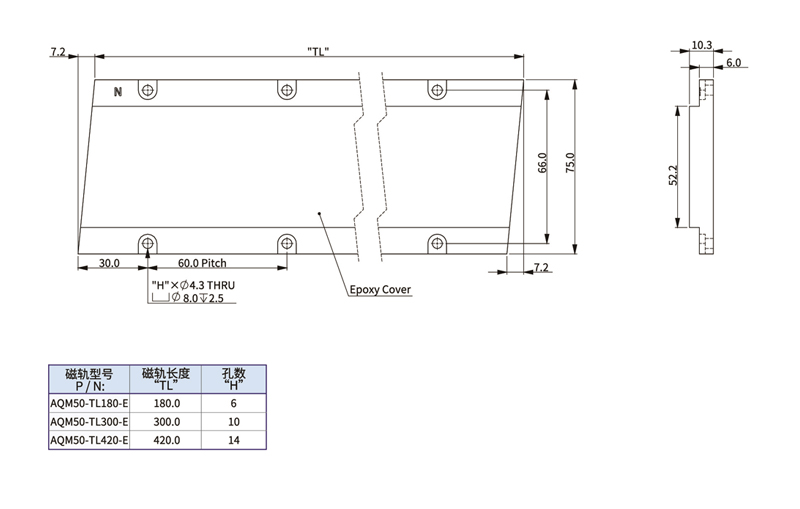
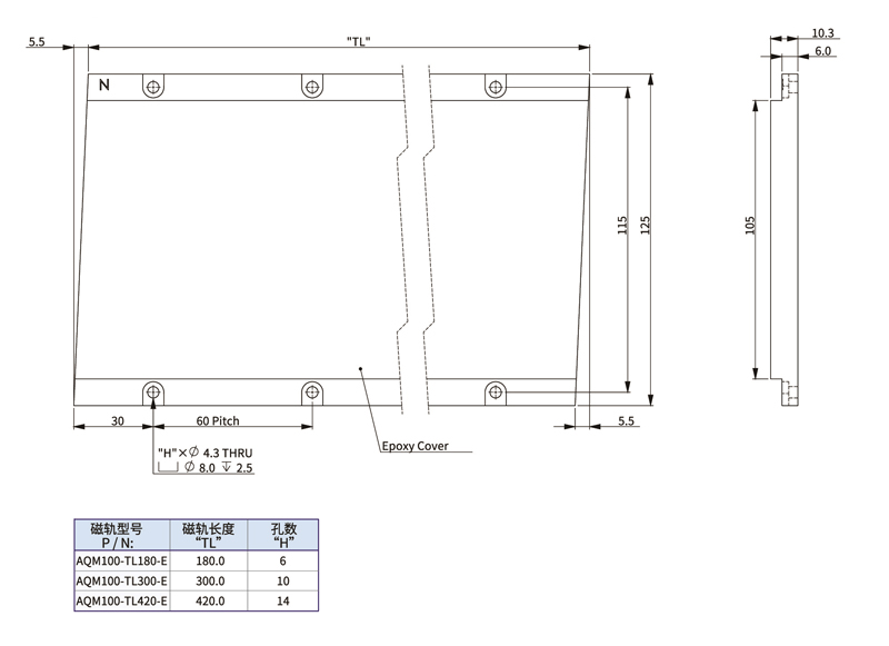
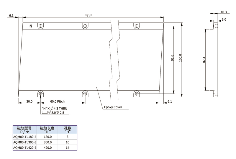
电机磁轨


型号 (mm)磁轨长度 (mm)
AQM8TL180180
TL300300

TL420

420
AQM24TL180180
TL300300

TL420

420
AQM30TL180180
TL300300

TL420

420
AQM50TL180180
TL300300

TL420

420
AQM80TL180180
TL300300

TL420

420
AQM100TL180180
TL300300
TL420420




AQM8

aqm8.jpgaqm8-1.jpg


AQM24

aqm24.jpgaqm24-1.jpg

AQM30

aqm30.jpgaqm30-1.jpgaqm30-2.jpg


AQM50

aqm50.jpgaqm50-1.jpgaqm50-2.jpg


AQM80

aqm80.jpgaqm80-1.jpgaqm80-3.jpg

AQM100aqm100.jpgaqm100-1.jpg

aqm100-2.jpg

image.png

image.png

image.png


相关产品
AJM系列
相关产品
ALM 系列
相关产品
AKH系列
相关产品
AKD-A
在线留言
如果您有任何的建议或意见
请联系我们
cust-service@akribis-sys.cn
+86 21 58595800
留言