产品中心
AJM系列
AJM系列为有铁芯直线直线电机,体积小,力密度大,响应快,适用于有一定推力要求,高响应的应用。
下载附件:
技术参数
  • 产品介绍
  • 规格参数
  • 尺寸图
  • 订购信息

设计特点:

A. 有铁芯技术

B. 低齿槽效应

C. 标配霍尔传感器

D. 高推力与刚性


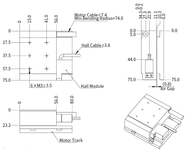
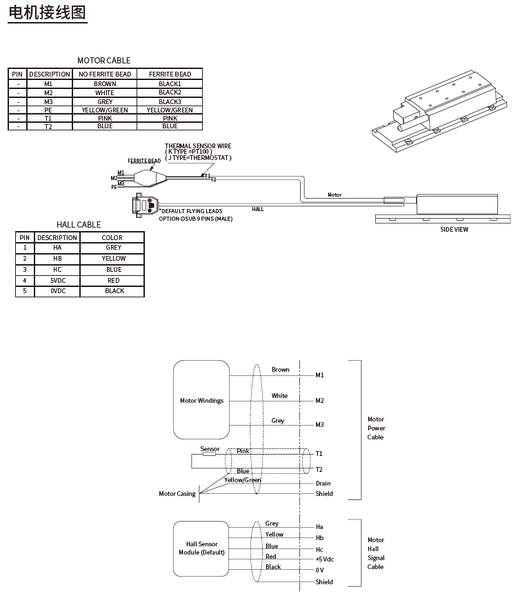
电机线圈


线圈长度 (mm)持续力 (N) @100℃峰值力 (N)
AJM30-B15644.0117.0
AJM30-B29668.1214.7
AJM30-B4176136.2429.4
AJM50-B15676.0201.0
AJM50-B296117.0369.0
AJM50-B4176234.0738.1
AJM80-B156113.0300.0
AJM80-B296174.5550.2
AJM80-B4176348.91100.4
AJM100-B156145.0384.0
AJM100-B296223.4704.5
AJM100-B4176446.81409.1

 

 

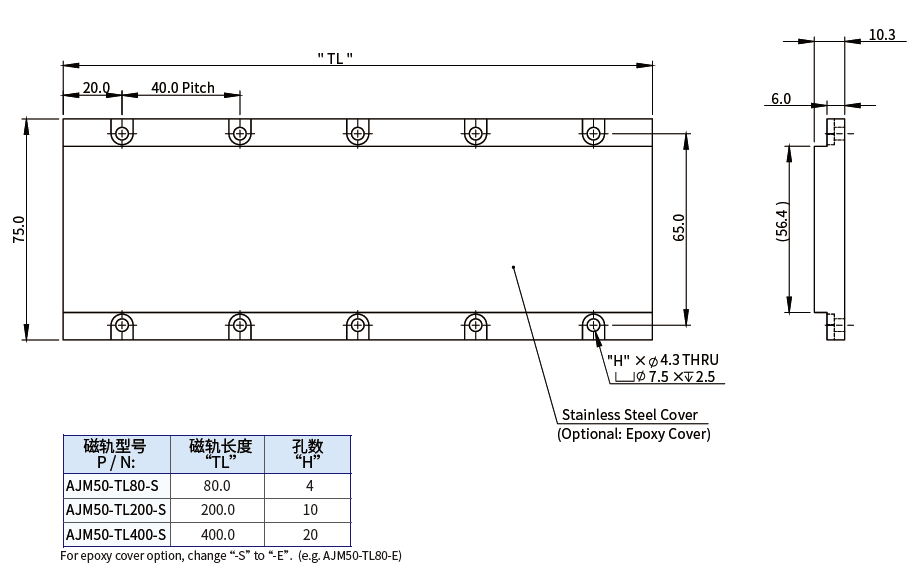
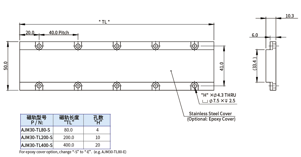
电机磁轨


磁轨长度 (mm)磁轨宽度 (mm)
AJM308050
20050

400

50
AJM508075
20075

400

75
AJM8080100
200100

400

100
AJM10080125
200125

400

125


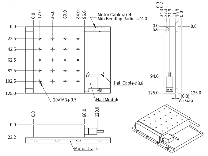
AJM30

image.png

image.png

image.pngimage.png


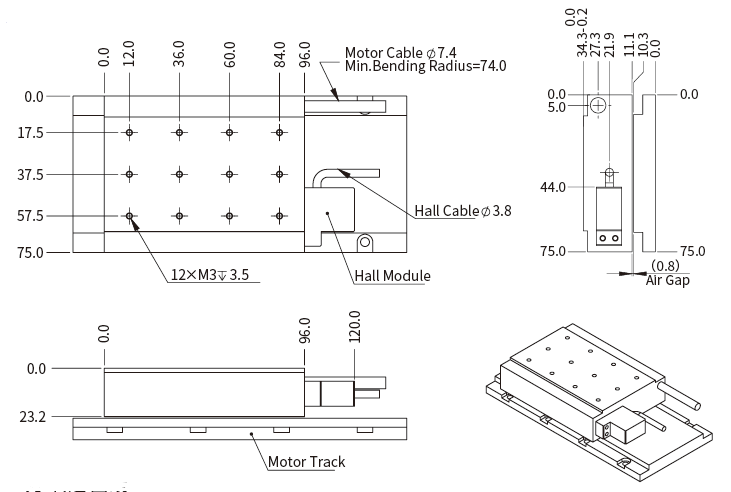
AJM50

image.png

image.png

image.png

image.png


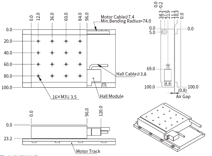
AJM80

image.png

image.png

image.png

image.png

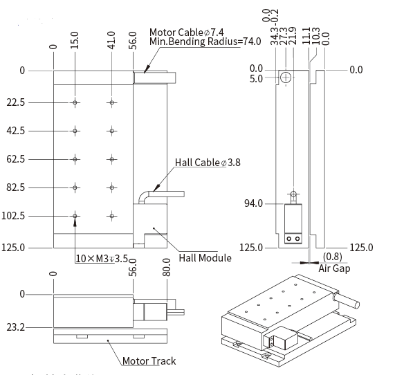
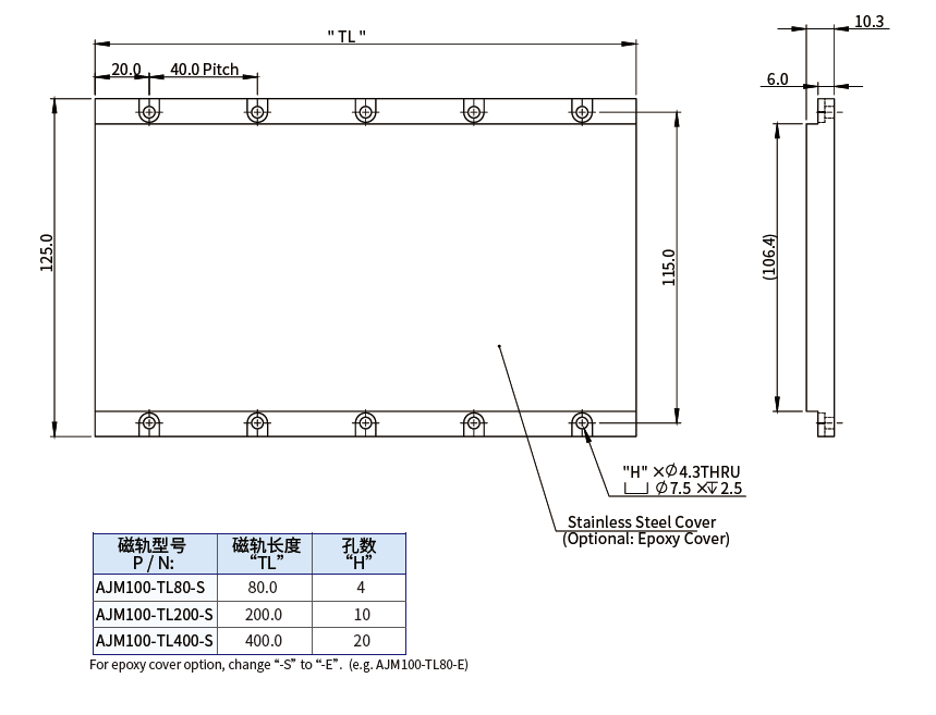
AJM100

image.pngimage.png


image.png

image.png

image.png



image.png


image.png

相关产品
AUM系列
相关产品
AWM系列
相关产品
AKM系列
在线留言
如果您有任何的建议或意见
请联系我们
cust-service@akribis-sys.cn
+86 21 58595800
留言