设计特点:
A.无铁芯技术
B.无齿槽效应
C.专利技术
D.体积小,高电机常数
E.高连续力与峰值力
可选性:可定制
电机线圈 | 线圈长度(mm) | 持续推力(N) | 峰值推力(N) |
AUM1-S1 | 22.0 | 3.0 | 11.9 |
AUM1-S2 | 43.0 | 6.0 | 23.8 |
AUM1-S3 | 64.0 | 8.9 | 35.7 |
AUM1-S4 | 85.0 | 11.9 | 47.6 |
AUM1-S5 | 106.0 | 14.9 | 59.5 |
电机磁轨 | 磁轨长度(mm) |
AUM1-TL63 | 62.7 |
AUM1-TL84 | 83.7 |
AUM1-TL105 | 104.7 |
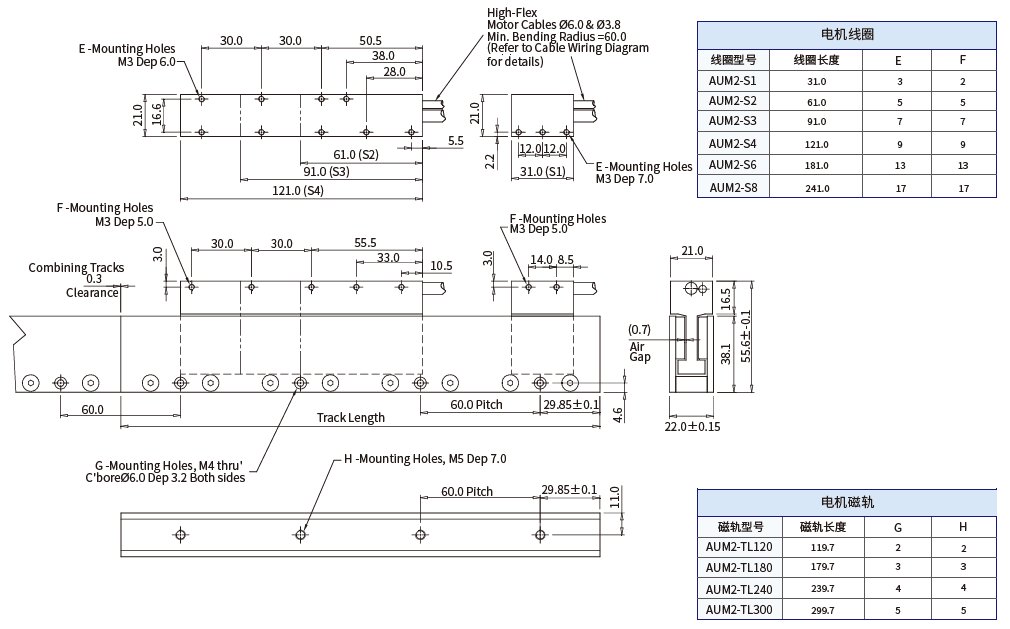
电机线圈 | 线圈长度(mm) | 持续推力(N) | 峰值推力(N) |
AUM2-S1 | 31.0 | 8.8 | 44.0 |
AUM2-S2 | 61.0 | 17.6 | 88.0 |
AUM2-S3 | 91.0 | 26.4 | 132.0 |
AUM2-S4 | 121.0 | 35.2 | 176.0 |
AUM2-S6 | 181.0 | 52.8 | 264.0 |
AUM2-S8 | 241.0 | 70.4 | 352.0 |
电机磁轨 | 磁轨长度(mm) |
AUM2-TL120 | 119.7 |
AUM2-TL180 | 179.7 |
AUM2-TL240 | 239.7 |
AUM2-TL300 | 299.7 |
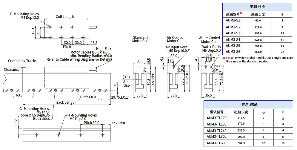
电机线圈 | 线圈长度(mm) | 持续推力(N) | 峰值推力(N) |
AUM3-S1 | 61.0 | 28/34/37 | 144 |
AUM3-S2 | 121.0 | 57/68/73 | 289 |
AUM3-S3 | 181.0 | 85/102/110 | 433 |
AUM3-S4 | 241.0 | 113/136/147 | 578 |
AUM3-S5 | 301.0 | 141/170/184 | 722 |
AUM3-S6 | 361.0 | 170/203/220 | 867 |
注:
1.持续推力中自然冷却的持续推力在前,气冷的在中,水冷的在后;
电机磁轨 | 磁轨长度(mm) |
AUM3-TL120 | 119.5 |
AUM3-TL180 | 179.5 |
AUM3-TL240 | 239.5 |
AUM3-TL300 | 299.5 |
AUM3-TL600 | 599.5 |
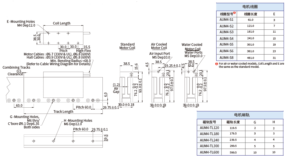
电机线圈 | 线圈长度(mm) | 持续推力(N) | 峰值推力(N) |
AUM4-S1 | 61.0 | 55/66/72 | 312 |
AUM4-S2 | 121.0 | 110/132/144 | 624 |
AUM4-S3 | 181.0 | 166/199/215 | 936 |
AUM4-S4 | 241.0 | 221/265/287 | 1248 |
AUM4-S5 | 301.0 | 276/331/359 | 1560 |
AUM4-S6 | 361.0 | 331/397/431 | 1872 |
AUM4-S8 | 481.0 | 442/530/574 | 2496 |
注:
1.持续推力中自然冷却的持续推力在前,气冷的在中,水冷的在后;
电机磁轨 | 磁轨长度(mm) |
AUM4-TL120 | 119.5 |
AUM4-TL180 | 179.5 |
AUM4-TL240 | 239.5 |
AUM4-TL300 | 299.5 |
AUM4-TL600 | 599.5 |
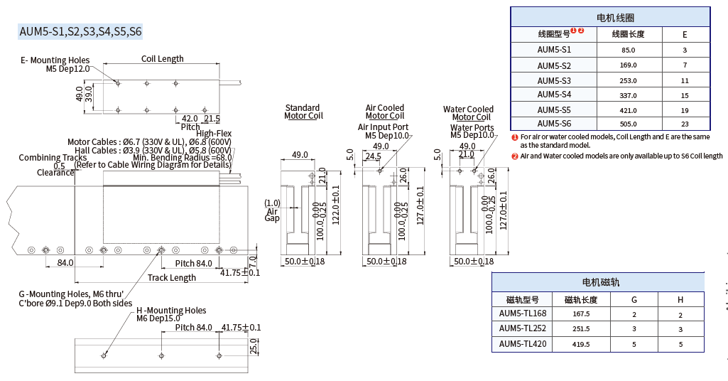
电机线圈 | 线圈长度(mm) | 持续推力(N) | 峰值推力(N) |
AUM5-S1 | 85.0 | 98/118/128 | 707 |
AUM5-S2 | 169.0 | 197/236/255 | 1415 |
AUM5-S3 | 253.0 | 295/354/383 | 2122 |
AUM5-S4 | 337.0 | 393/472/511 | 2830 |
AUM5-S5 | 421.0 | 491/590/639 | 3537 |
AUM5-S6 | 505.0 | 590/707/766 | 4244 |
AUM5-P5-S8-V107 | 673.0 | 786/-/- | 5659 |
AUM5-P7-S9-V80 | 757.0 | 884/-/- | 6367 |
AUM5-P5-S10-V107 | 841.0 | 983/-/- | 7078 |
AUM5-P5-S12-V107 | 1009.0 | 1179/-/- | 8489 |
注:
1.持续推力中自然冷却的持续推力在前,气冷的在中,水冷的在后;
电机磁轨 | 磁轨长度(mm) |
AUM5-TL168 | 167.5 |
AUM5-TL252 | 251.5 |
AUM5-TL420 | 419.5 |
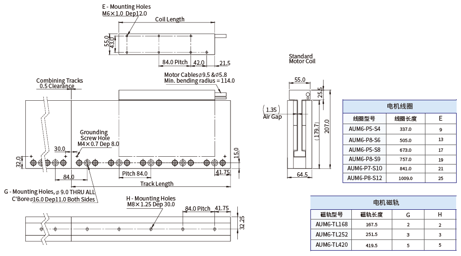
电机线圈 | 线圈长度(mm) | 持续推力(N) | 峰值推力(N) |
AUM6-P5-S4 | 337.0 | 780 | 5400 |
AUM6-P8-S6 | 505.0 | 1170 | 8100 |
AUM6-P5-S8 | 673.0 | 1560 | 10800 |
AUM6-P8-S9 | 757.0 | 1755 | 12150 |
AUM6-P7-S10 | 841.0 | 1950 | 13500 |
AUM6-P8-S12 | 1009.0 | 2340 | 16200 |
注:
1.持续推力中自然冷却的持续推力在前,气冷的在中,水冷的在后;
电机磁轨 | 磁轨长度(mm) |
AUM6-TL168 | 167.5 |
AUM6-TL252 | 251.5 |
AUM6-TL420 | 419.5 |
AUM1
AUM2