产品中心
AAR-A系列
AAR-A系列是一种采用气浮轴承的转台。气浮轴承是用气体做润滑剂的滑动轴承,通过高压气体而产生气膜,将零件顶起来直至达到静态平衡,使定转子之间的配合面实现无接触状态。零部件之间的无摩擦运动不仅可以避免磨损的同时,并提高产品寿命,还能够带来高精度、高重复性的好处。
下载附件:
技术参数
  • 产品介绍
  • 规格参数
  • 尺寸图
  • 订购信息

设计特点:

 

A.定转子无接触

B.零阻滞

C.无颗粒物排放

D.中孔设计

E.锥形轴承

F.高重复性和精度

G.速度稳定性高


电机规格直径高度中孔最高转速@峰值扭矩(110V)重复定位精度转动惯量
(mm)(mm)(mm)(rpm)(arc sec)(kg·m2)

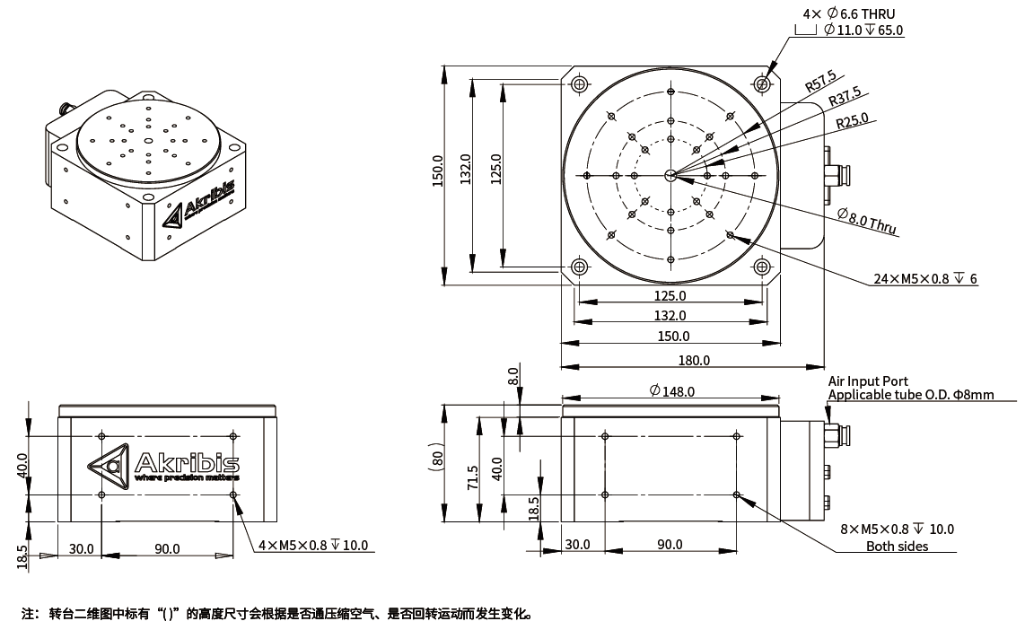
AAR150-A

150

(80)

8

2000

<2

0.00217

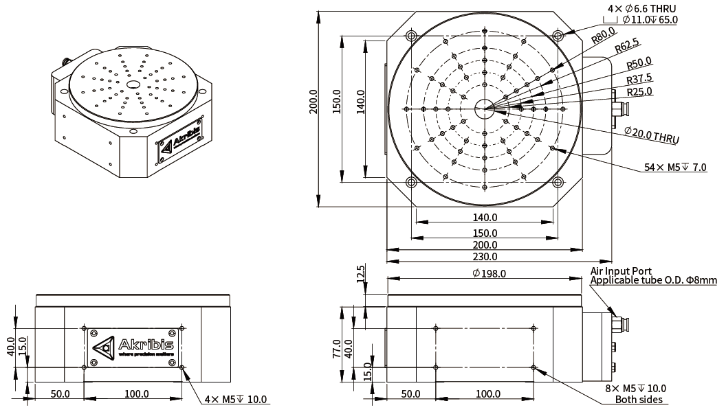
AAR200-A

200

89.5

10

1500

<1

0.0106

AAR250-A

250

(100)

35

1000

<1

0.0271

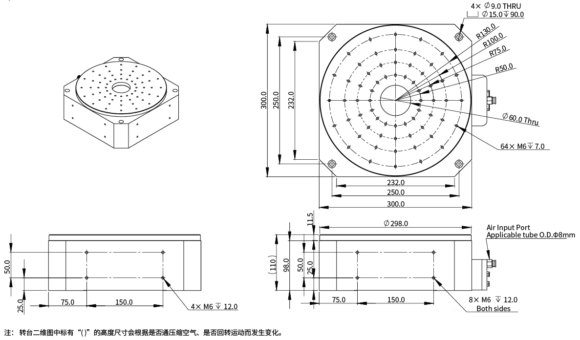
AAR300-A

300

(110)

60

800

<1

0.052

注:

①标有“( )”的高度尺寸会根据是否通压缩空气、是否回转运动而发生变化。

相关参数规格如有变动,恕不另行通知。


AAR150-A

image.png


AAR200-A

image.png


AAR250-A

image.png


AAR300-A

image.png


image.png







image.png

在线留言
如果您有任何的建议或意见
请联系我们
cust-service@akribis-sys.cn
+86 21 58595800
留言