设计特点
A. 紧凑型设计
B. 自润滑直线导轨
C. 直驱技术
D. 磁力弹簧配重
E. 高精度光学编码器
电机参数 | 单位 | AFC90SMZ-25-C13 | AFC90SMZ-25-C15 | AFC90SMZ-50-C13 | AFC90SMZ-50-C15 |
电机型号 | - | CLC0001-025-B3 | CLC0001-025-B5 | CLC0001-025-B3 | CLC0001-025-B5 |
持续推力@100°C① | N | 20.0 | 34.0 | 20.0 | 34.0 |
峰值推力 | N | 55.0 | 91.0 | 55.0 | 91.0 |
力常数 ±10% | N/Arms | 8.1 | 13.5 | 8.1 | 13.5 |
反电势常数 ±10% | Vpeak/(m/s) | 6.6 | 11.1 | 6.6 | 11.1 |
相间电阻 @25°C ±10%② | Ω | 1.7 | 2.8 | 1.7 | 2.8 |
相间电感 ±30%③ | mH | 0.8 | 1.4 | 0.8 | 1.4 |
持续电流(自冷) @100°C① | Arms | 2.5 | 2.5 | 2.5 | 2.5 |
峰值电流 | Arms | 7.5 | 7.5 | 7.5 | 7.5 |
最高电压 | Vdc | 48.0 | 48.0 | 48.0 | 48.0 |
电磁周期 | mm | 12.0 | 12.0 | 12.0 | 12.0 |
机械参数 | 单位 | AFC90SMZ-25-C13 | AFC90SMZ-25-C15 | AFC90SMZ-50-C13 | AFC90SMZ-50-C15 |
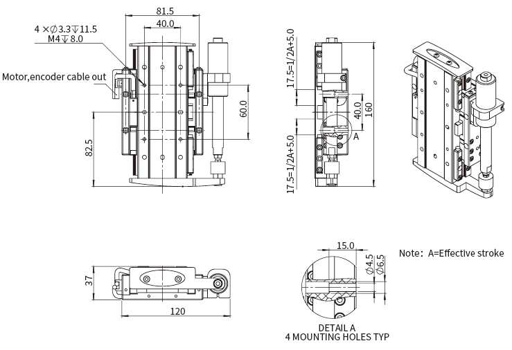
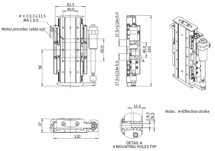
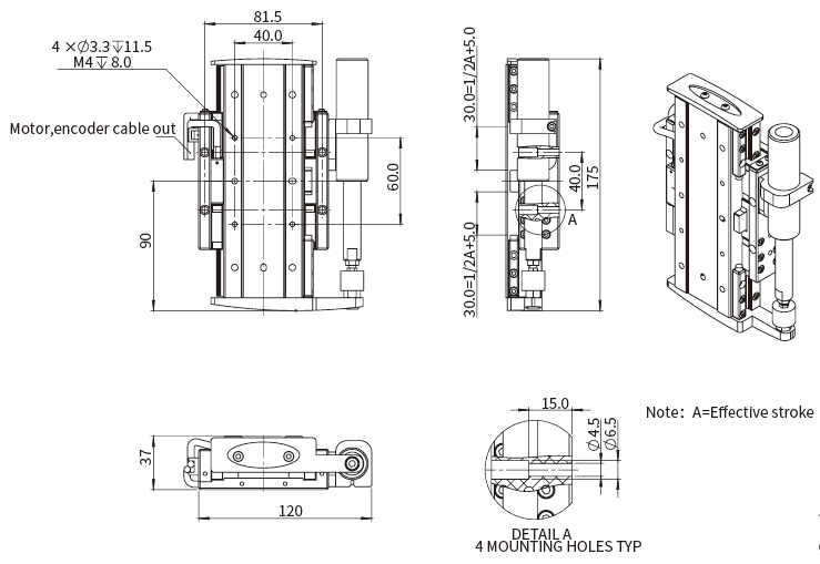
行程 | mm | 25.0 | 25.0 | 50.0 | 50.0 |
分辨率 | μm | 0.05 | 0.05 | 0.05 | 0.05 |
重复定位精度 | μm | ±0.5 | ±0.5 | ±0.5 | ±0.5 |
水平直线度 | μm | ±2.5 | ±2.5 | ±2.5 | ±2.5 |
垂直直线度 | μm | ±3.0 | ±3.0 | ±3.0 | ±3.0 |
额定负载④ | kg | 1.5 | 1.5 | 1.5 | 1.5 |
空载运动质量 | kg | 0.8 | 0.9 | 0.8 | 1.0 |
空载总质量 | kg | 1.4 | 1.8 | 1.5 | 1.9 |
最大容许侧倾力矩 | Nm | 2.0 | 3.0 | 2.0 | 3.0 |
最大容许俯仰力矩 | Nm | 3.0 | 4.0 | 3.0 | 4.0 |
最大容许横摆力矩 | Nm | 2.0 | 3.0 | 2.0 | 3.0 |
注:
1 测量环境温度为26°C,数值取决于热环境。
2 电阻测量采用直流电流,含0.5米标准线缆。
3 电感是通过1kHZ的电流频率来测量的。
4 在无悬臂的情况下,模组的负载能力。
★受磁力弹簧实际出力影响,额定负载最大偏差±12%。
相关参数规格如有变动,恕不另行通知。
AFC90SMZ-25-C13
AFC90SMZ-25-C15
AFC90SMZ-50-C13
AFC90SMZ-50-C15