设计特点:
A. 紧凑型设计
B. 防蠕动交叉滚子导轨直驱技术
C. 高响应
D. 高精度光学编码器可叠加使用
电机参数 | 单位 | XRG70 | XRG110 | ||
电机型号 | - | CLC0012 | CLC0013 | ||
持续转矩 @100°C① | Nm | 0.602 | 1.070 | ||
峰值转矩 | Nm | 1.697 | 3.210 | ||
转矩常数 ±10% | Nm/Arms | 0.602 | 1.070 | ||
反电势常数 ±10% | Vpeak/rpm | 0.051 | 0.090 | ||
电机常数 @25℃ | Nm/Sqrt(W) | 0.169 | 0.440 | ||
相间电阻 @25°C ±10%② | Ω | 8.500 | 3.900 | ||
相间电感 ±20%③ | mH | 8.300 | 5.000 | ||
持续电流 @100°C① | Arms | 1.00 | 1.00 | ||
峰值电流 | Arms | 3.00 | 3.00 | ||
最高母线电压 | Vdc | 48 | 48 | ||
机械参数 | 单位 | XRG70 | XRG110 | ||
有效行程 | degree | 12.0 | 12.0 | ||
分辨率 | - | SINCOS | SINCOS | ||
重复定位精度 | arcsec | 4.0 | 4.0 | ||
最大速度 | degree/s | 150.0 | 150.0 | ||
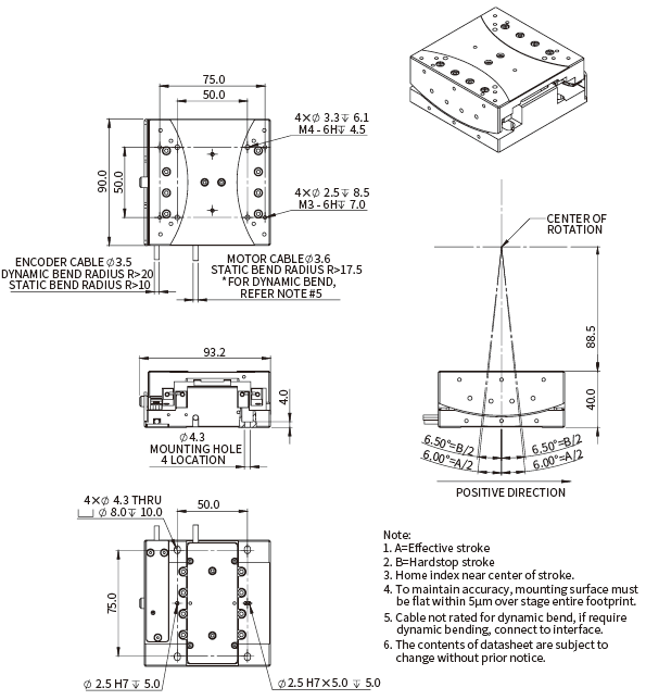
旋转半径 | mm | 70.0 | 110.0 | ||
旋转中心到安装面高度 | mm | 53.5 | 88.5 | ||
额定负载④ | kg | 1.10 | 1.70 | ||
空载运动质量 | kg | 0.23 | 0.41 | ||
空载总质量 | kg | 0.65 | 1.10 | ||
最大静态力矩 | Nm | 3.82 | 8.99 |
注:
①测量环境温度为25℃,数值取决于热环境。NC=自然冷却,AC=风冷,WC=水冷。
②电阻测量采用直流电流,含0.5米标准线缆。
③电感是通过1kHZ的电流频率来测量的。
④在无悬臂的情况下,模组的负载能力。
相关参数规格如有变动,恕不另行通知。
XRG70
XRG110