设计特点
A. 单导轨直驱模组
B.使用无铁芯棒状电机
C.行程从70mm到720mm,可定制
D.使用0.2μm分辨率光栅编码器
E.更少的零件,经济型配置
电机参数 | 单位 | SGR30 | SGR40 | ||||
电机型号 | - | RDM020-A-B3 | RDM030-A-B3 | ||||
持续推力(自冷) @100?C① | N | 3.1 | 18.6 | ||||
峰值推力 | N | 9.3 | 55.8 | ||||
力常数 ±10% | N/Arms | 3.00 | 11.00 | ||||
反电势常数 ±10% | Vpeak/(m/s) | 2.45 | 8.94 | ||||
相间电阻 @25?C ±10%② | Ω | 4.47 | 4.19 | ||||
相间电感 ±40%③ | mH | 0.36 | 0.93 | ||||
持续电流(自冷) @100?C① | Arms | 1.03 | 1.70 | ||||
峰值电流 | Arms | 3.09 | 5.10 | ||||
最高母线电压 | Vdc | 60 | 60 | ||||
电磁周期 | mm | 30 | 60 | ||||
机械参数 | 单位 | SGR30 | SGR40 | ||||
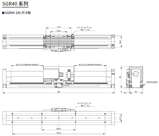
行程 | mm | 70 | 145 | 235 | 185 | 275 | 365 |
分辨率 | μm | 0.2 | 0.2 | ||||
重复定位精度 | μm | ±2 | ±2 | ||||
额定负载 | kg | 1.0 | 5.0 | ||||
空载运动质量 | kg | 0.19 | 0.46 | ||||
空载总质量 | kg | 0.44 | 0.59 | 0.76 | 1.60 | 1.94 | 2.29 |
最大容许力矩 | Nm | 0.1 | 0.5 | ||||
电机参数 | 单位 | SGR60 | SGR70 | |||||
电机型号 | - | RDM050-A-B7 | RDM060-A-B5 | |||||
持续推力(自冷) @100?C① | N | 60.2 | 114.8 | |||||
峰值推力 | N | 180.6 | 344.5 | |||||
力常数 ±10% | N/Arms | 41.80 | 58.00 | |||||
反电势常数 ±10% | Vpeak/(m/s) | 34.13 | 47.36 | |||||
相间电阻 @25?C ±10%② | Ω | 12.07 | 8.91 | |||||
相间电感 ±40%③ | mH | 3.13 | 4.57 | |||||
持续电流(自冷) @100?C① | Arms | 1.44 | 1.98 | |||||
峰值电流 | Arms | 4.32 | 5.94 | |||||
最高母线电压 | Vdc | 330 | 330 | |||||
电磁周期 | mm | 37.2 | 72 | |||||
机械参数 | 单位 | SGR60 | SGR70 | |||||
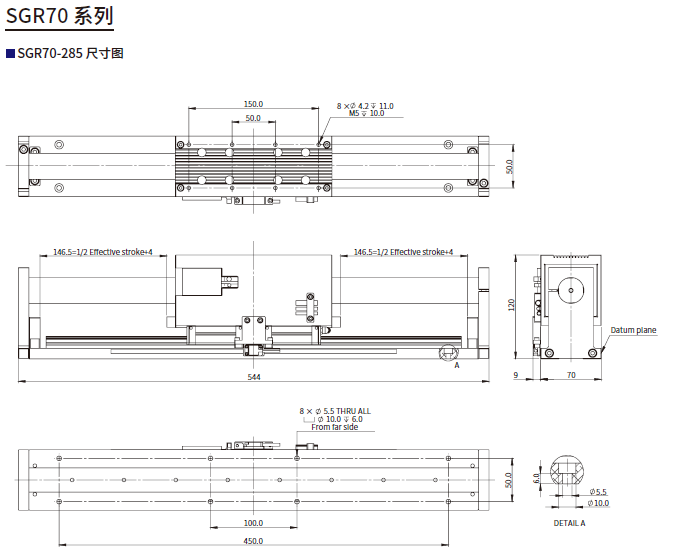
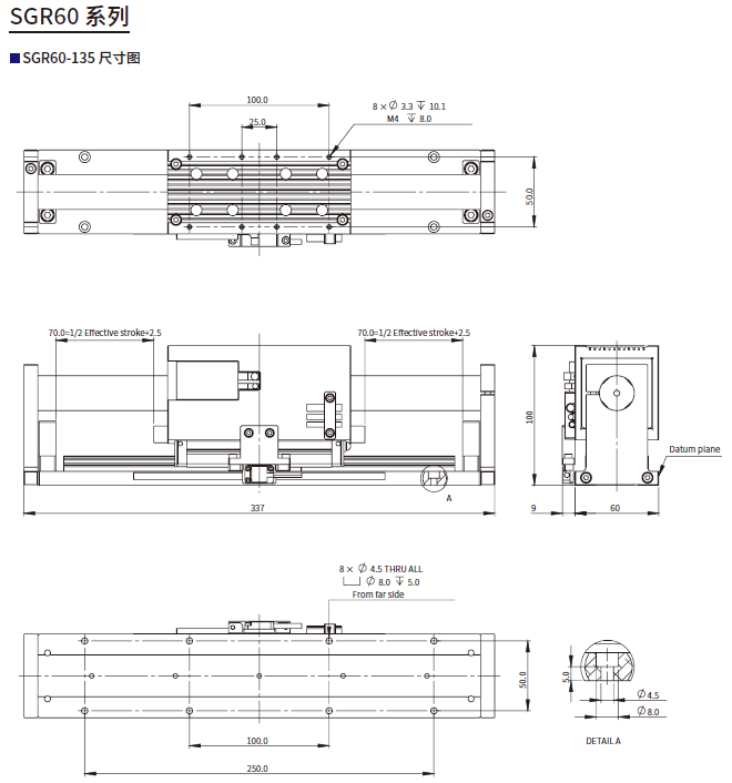
行程 | mm | 135 | 320 | 500 | 690 | 285 | 500 | 720 |
分辨率 | μm | 0.2 | 0.2 | |||||
重复定位精度 | μm | ±2 | ±2 | |||||
额定负载 | kg | 15.0 | 25.0 | |||||
空载运动质量 | kg | 1.6 | 3.2 | |||||
空载总质量 | kg | 3.1 | 3.9 | 4.6 | 5.4 | 6.7 | 8.0 | 9.4 |
最大容许力矩 | Nm | 3.5 | 8.5 |
注:
1 测量室温25?C,取决于散热环境。
2 电阻测量采用直流电流,含0.5米标准线缆。
3 电感测量频率1kHz。
★安装面精度需要保证20um以内。
★测量数值基于雅科贝思测量标准。
相关参数规格如有变动,恕不另行通知。