设计特点:
A.高刚性、无摩擦静压气浮导向实现绝对顺滑的匀速扫描运动
B.超精等级几何精度(直线度、平面度、角度精度)满足高端定位系统需求
C.导轨、电机、编码器实现全面无接触、无磨损
D.内置线缆管理以及模组化XY堆叠设计简化系统集成工作
E.适用于半导体晶圆检测、激光微加工、钻石单晶车床等应用
电机参数 | 单位 | 无屏蔽排线版 AAL270-X-XX-XX-X-A-X | 带屏蔽排线版 AAL270-X-XX-XX-X-B-X | |||
电机型号 | - | AUM3-P-S3 | AUM3-P-S3 | |||
持续推力(自冷) @100?C ① | N | 85 | 85 | |||
峰值推力 | N | 433 | 433 | |||
力常数 ±10% | N/Arm | 23.6 | 23.6 | |||
反电势常数 ±10% | Vpeak/(m/s) | 19.2 | 19.2 | |||
相间电阻 @25?C ±10% ② | Ω | 3.3 | 3.3 | |||
相间电感 ±40% ③ | mH | 2.62 | 2.62 | |||
持续电流(自冷) @100?C ① | Arms | 3.6 | 3.6 | |||
峰值电流 | Arms | 18.4 | 18.4 | |||
最高母线电压 ④ | Vdc | 100 | 330 | |||
电磁周期 | mm | 60 | 60 | |||
机械参数 ⑤ | 单位 | 100 mm | 200 mm | 300 mm | 400 mm | 500 mm |
分辨率 | μm | SINCOS | SINCOS | SINCOS | SINCOS | SINCOS |
定位精度 (补偿后) | μm | ±0.2 | ±0.4 | ±0.4 | ±0.5 | ±0.5 |
双向重复定位精度 (ISO230-2) | μm | ±0.075 | ±0.1 | ±0.15 | ±0.2 | ±0.2 |
平面度 | μm | ±0.4 | ±0.5 | ±0.75 | ±1.5 | ±2.0 |
直线度 | μm | ±0.4 | ±0.5 | ±0.75 | ±1.5 | ±2.0 |
侧倾 | arcsec | ±1 | ±2 | ±3 | ±4 | ±5 |
俯仰 | arcsec | ±1 | ±2 | ±3 | ±4 | ±5 |
横摆 | arcsec | ±1 | ±2 | ±3 | ±4 | ±5 |
额定负载 | kg | 40 | ||||
最大空载加速度 | m/s2 | 20 | ||||
最大空载速度 | m/s | 1.0 | ||||
空载运动质量 (无屏蔽排线版) AAL270-X-XX-XX-X-A-X | kg | 7.3 | ||||
空载运动质量 (带屏蔽排线版) AAL270-X-XX-XX-X-B-X | kg | 7.7 | ||||
空载总质量,单轴 (无屏蔽排线版) AAL270-X-XX-XX-X-A-X | kg | 22.7 | 26.0 | 29.3 | 32.5 | 35.8 |
空载总质量,单轴 (带屏蔽排线版) AAL270-X-XX-XX-X-B-X | kg | 23.8 | 27.2 | 30.6 | 33.9 | 37.3 |
工作环境温度 | ℃ | 10~40 |
注:
1 测量室温25?C,取决于散热环境。 相关参数规格如有变动,恕不另行通知。
2 电阻测量采用直流电流,含0.5米标准线缆。
3 电感测量频率1kHz,AUM系列电感浮动范围较大为±40%是因为三相电感不同,样册标定数值为最大值与最小值的平均值,对于每一相电感,浮动范围为±20%。 4 无屏蔽排线版的最高母线电压是100V。
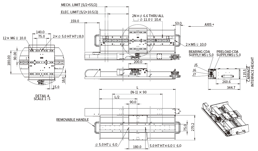
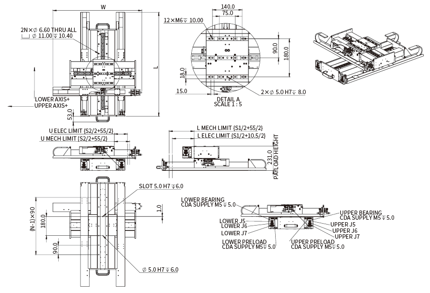
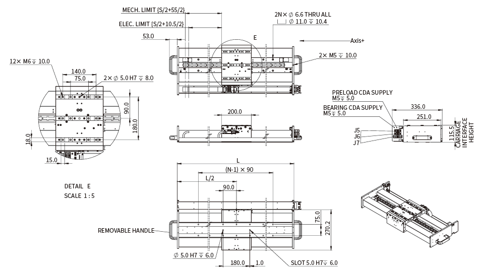
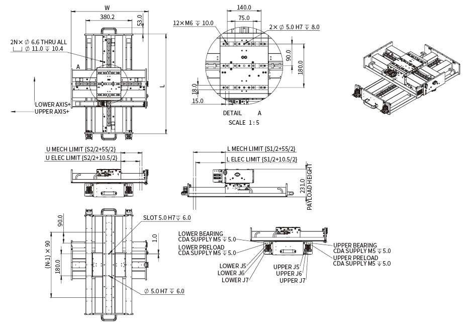
5 机械规格指的是单轴模组。对于XY堆叠平台,请联系雅科贝思 (cust-service@akribis-sys.cn)。